info@mehprivod.ru
ООО Мехтехника
Тел.: 8 (800) 505-36-88

Плоский цилиндрический привод серии TNC

Плоский цилиндрический привод серии TNC

Плоский цилиндрический привод серии TNC является очень промышленным приводом и может применяться в любых производственных целях. Наличие дополнительных опций позволяют агрегату легко адаптироваться под технические условия заказчика. Изготавливаются мотор-редукторы из прочных материалов на современном производстве компанией TOS-ZNOJMO в Чехии.

Цена: по запросу заказчика

Схема типового обозначения

TNC53-71-20-4.0-1-1

TNC - серия;
5 - типоразмер;
3 - количество ступеней;
71 - передаточное число;
20 - частота вращения выходного вала, об/мин;
4,0 - мощность электродвигателя, кВт.

Общее описание:

Без использования электродвигателей возможны следующие варианты устройств:

  • Входной цилиндрический вал, отсутствие установленного двигателя, фланец IM 3641 FT ** (OM B14 FT ***);
  • Фланец меньшего размера В14 без двигателя с фланцем IM 3641 FT ** (IM B14 FT ** );
  • Фланец большего размера  В14 без двигателя с фланцем IM 3041 (IM B5)

1 - исполнение без фланца крепежного типа (2 - исполнение с фланцем);
1 - монтажная позиция.

Монтажная позиция мотор-редукторов TNC Монтажная позиция мотор-редукторов TNC Монтажная позиция мотор-редукторов TNC
Монтажная позиция мотор-редукторов TNC Монтажная позиция мотор-редукторов TNC Монтажная позиция мотор-редукторов TNC

Максимальные значения мощности

Значения номинальной мощности для коэффициента Sm= 1 при n1= 1400 мин-1

Тип

Передаточное отношение i

Обороты
n2[ мин-1]

Мак. выходной крутящий
момент M2max[ Нм ]

Макс. мощность на
входе Р1[kW]

TNC 12

7,2

194

84

1,80

8,0

175

78

1,50

9,1

154

71

1,21

11,1

126

65

0,90

12,9

109

63

0,75

14,8

95

173

1,80

16,6

84

161

1,50

18,8

74

147

1,21

22,9

61

134

0,90

26,7

52

130

0,75

TNC 13

31,4

45

147

0,72

35,2

40

164

0,72

39,7

35

170

0,66

48,5

29

189

0,60

52,2

27

186

0,55

56,4

25

190

0,52

61,1

23

190

0,48

71,0

20

189

0,41

79,5

18

196

0,38

89,8

16

204

0,35

109,8

13

213

0,30

127,5

11

215

0,26

138,3

10

224

0,25

TNC 22

6,2

226

157

3,90

7,0

200

177

3,90

8,1

173

189

3,60

9,3

151

199

3,30

10,9

128

212

3,00

11,1

126

281

3,90

12,6

111

294

3,60

13,0

108

222

2,64

14,4

97

287

3,08

16,6

84

284

2,64

19,5

72

278

2,20

23,2

60

271

1,80

TNC 23

30,4

46

355

1,80

34,6

40

348

1,55

39,6

35

367

1,43

45,8

31

359

1,21

53,6

26

340

0,98

63,8

22

343

0,83

71,9

19

349

0,75

81,7

17

371

0,70

93,5

15

370

0,61

108,2

13

386

0,55

126,7

11

394

0,48

150,9

9

401

0,41

TNC 32

4,6

304

295

9,90

5,3

264

321

9,35

6,1

230

326

8,25

7,2

194

334

7,15

8,5

165

485

8,80

9,8

143

489

7,70

11,4

123

488

6,60

13,4

104

478

5,50

TNC 33

25,5

55

661

4,00

29,1

48

622

3,30

33,5

42

621

2,86

38,9

36

610

2,42

45,8

31

623

2,10

54,8

26

639

1,80

60,1

23

428

1,10

68,6

20

489

1,10

78,9

18

562

1,10

91,7

15

654

1,10

107,8

13

734

1,05

128,9

11

752

0,90

154,8

9

752

0,75

TNC 42

4,4

318

359

12,60

4,9

286

359

11,30

5,6

250

374

10,30

6,8

206

383

8,70

7,9

177

415

8,10

9,2

152

411

6,90

9,9

141

808

12,60

10,1

139

412

6, 30

11,1

126

813

11,30

12,6

111

841

10,30

15,4

91

868

8,70

17,8

79

934

8,10

20,9

67

935

6,90

22,9

61

935

6,30

TNC 43

30,9

45

1211

6,05

34,7

40

1304

5,80

39,2

36

1321

5,20

47,9

29

1242

4,00

55,5

25

1295

3,60

65,2

21

1301

3,08

71,1

20

1216

2,64

79,8

18

1319

2,55

90,2

16

1403

2,40

110,2

13

1393

1,95

127,7

11

1448

1,75

150,1

9

1459

1,50

164,0

9

1403

1,32

TNC 52

4,5

311

519

18,70

5,3

264

602

18,70

6,0

233

634

17,60

7,4

189

691

15,40

8,6

163

746

14,30

9,3

151

757

13,20

10,2

137

761

12,10

11,0

127

1268

18,70

13,1

107

1489

18,70

14,8

95

1585

17,60

18,2

77

1728

15,40

21,1

66

1860

14,30

25,1

56

1872

12,10

TNC 53

31,1

45

2267

11,25

37,0

38

2345

9,78

41,9

33

2349

8,65

51,4

27

2498

7,50

59,9

23

2562

6,60

65,1

22

2578

6,11

71,0

20

2618

5,69

79,0

18

2176

4,25

94,0

15

2498

4,10

106,5

13

2761

4,00

130,7

11

2820

3,33

152,2

9

2959

3,00

165,3

8

2924

2,73

180,4

8

2923

2,50

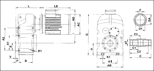
Габаритные и присоединительные размеры

ГАБАРИТНЫЕ И ПРИСОЕДИНИТЕЛЬНЫЕ РАЗМЕРЫ TNC

 

A

A1

A2

B

P

L

I

G

H

AB

C

C1

C2

C3

K1

TNC 1_

31

-

115

77

20

156

112

248

74,5

165

122

63-34

105

61

M8x18

TNC 2_

43

-

145

93

28

192

131

272

80

180

155

80-50

132

77,5

M10x18

TNC 3_

62,5

125

190

112

30,5

216,5

159

346

100

220

180

70-70

156

90

M12x18

TNC 4_

70

140

240

140

32,5

250

200

425

123

270

210

70-70

183

105

M16x20

TNC 5_

100

200

310

165

38

301

247

541

165

330

243

80-80

210

121,5

M16x20

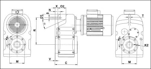
ГАБАРИТНЫЕ И ПРИСОЕДИНИТЕЛЬНЫЕ РАЗМЕРЫ TNC

d7

D1

F

GA

R

N

S

T

O1

O2

X

V

 

M

K2

TNC 1_

45

30

8

33,5

158

31

14

12

47,5

25

14

2

25

94

M8x12

TNC 2_

50

35

10

38,3

170

32

14

12

53

23

14

3

25

102

M8x18

TNC 3_

55

40

12

43,1

218

41

14

16

65

39

21

3,5

25

120

M12x18

TNC 4_

70

50

14

53,7

278

49

22

20

72

47

23

3

20

142

M12x20

TNC 5_

85

60

18

64,4

346

62

22

26

89

56

21

4

22

175

M16x24

Параметры мощности P1[kW]

0,18 / 0,37 / 0,75

1,5 / 3 / 5,5